| ГЛАВНОЕ |
СТАНДАРТЫ ГОСТ Р 53656.2-2009 (ИСО 15105-2-2002)ГОСТ Р 53656.2-2009 Пластмассы. Определение скорости проникновения газов. Часть 2. Метод равного давленияКатегории ГОСТ Р 53656.2-2009 по ОКС: 83. Резиновая, резинотехническая, асбесто-техническая и пластмассовая промышленность 83.080 Пластмассы Коды документа ГОСТ Р 53656.2-2009: Код КГС: Л29 Код ОКСТУ: 2209 Статус документа: действует, введён в действие 01.01.2011 Название на английском языке: Plastics. Determination of gas-transmission rate. Part 2. Equal-pressure method Число страниц: 12 Предисловие Цели и принципы стандартизации в Российской Федерации установлены Федеральным законом от 27 декабря 2002 г. № 184-ФЗ «О техническом регулировании», а правила применения национальных стандартов Российской Федерации - ГОСТ Р 1.0-2004 «Стандартизация в Российской Федерации. Основные положения» Сведения о стандарте 1 РАЗРАБОТАН Открытым акционерным обществом «Институт пластических масс имени Г.С. Петрова» (ОАО «Институт пластмасс») на основе собственного аутентичного перевода на русский язык стандарта, указанного в пункте 4 2 ВНЕСЕН Техническим комитетом по стандартизации ТК 230 «Пластмассы, полимерные материалы, методы их испытаний» 3 УТВЕРЖДЕН И ВВЕДЕН В ДЕЙСТВИЕ Приказом Федерального агентства по техническому регулированию и метрологии от 15 декабря 2009 г. № 1021-ст 4 Настоящий стандарт является модифицированным по отношению к международному стандарту ИСО 15105-2:2003 «Пластмассы. Пленки и листы. Определение скорости проникновения газов. Часть 2. Метод равного давления» (ISO 15105-2:2003 «Plastics - Film and sheeting - Determination of gas-transmission rate - Part 2: Equal-pressure method»). При этом дополнительные слова, фразы, показатели, их значения, ссылки, включенные в текст стандарта для учета потребностей национальной экономики Российской Федерации, выделены полужирным курсивом. Наименование настоящего стандарта изменено относительно наименования указанного международного стандарта для приведения в соответствие с ГОСТ Р 1.5-2004 (подраздел 3.5) 5 ВВЕДЕН ВПЕРВЫЕ Информация об изменениях к настоящему стандарту публикуется в ежегодно издаваемом информационном указателе «Национальные стандарты», а текст изменений и поправок - в ежемесячно издаваемых информационных указателях «Национальные стандарты». В случае пересмотра (замены) или отмены настоящего стандарта соответствующее уведомление будет опубликовано в ежемесячно издаваемом информационном указателе «Национальные стандарты». Соответствующая информация, уведомление и тексты размещаются также в информационной системе общего пользования - на официальном сайте Федерального агентства по техническому регулированию и метрологии в сети Интернет 1 Область примененияНастоящий стандарт устанавливает метод определения скорости проникновения газов через различные полимерные материалы в виде пленок, листов, слоистого пластика, материалов, полученных соэкструзией, эластичных материалов с полимерным покрытием, а также фрагментов тонкостенных изделий и образцов для испытаний, изготовленных различными методами. Примеры использования данного метода приведены в приложениях А и Б.
|
|||||||||||||||||||||||||||||
|
Температура, °С |
Относительная влажность, % |
|
|
1 |
23 |
0 |
|
2 |
23 |
50 |
|
3 |
23 |
60 |
|
4 |
23 |
75 |
|
5 |
23 |
85 |
|
6 |
10 |
85 |
|
7 |
20 |
55 |
|
Примечание - Кондиционирование обычно проводят при относительной влажности, равной 60 %, при условии, что газ для испытания имеет относительную влажность 0 %, а газ-носитель - относительную влажность 100 %. |
||
9 Проведение испытания
9.1 Извлекают образец для испытания из атмосферы для кондиционирования.
9.2 Устанавливают образец в диффузионную ячейку.
9.3 Проводят внешний осмотр образца, устраняя дефекты, например складки, возникшие во время монтажа.
9.4 Подсоединяют диффузионную ячейку к датчику.
9.5 Двумя кранами, расположенными непосредственно перед диффузионной ячейкой, продувают обе камеры ячейки A и Б газом-носителем. Скорость потока газа-носителя обычно устанавливают в интервале от 5 до 100 см3/мин. Рекомендуемая скорость газа-носителя - 30 см3/мин.
9.6 Проверяют герметичность установки, затем продувают газом-носителем всю установку, принимая во внимание возможную десорбцию из образца. Продувку установки продолжают до получения постоянного значения сигнала датчика.
9.7 Регистрируют значение постоянного сигнала датчика, принимая его за нулевое.
Примечание - Время выхода установки на рабочий режим может колебаться от нескольких десятков минут до нескольких часов в зависимости от испытуемого материала, его толщины и условий испытания.
9.8 Пропускают газ для испытания через камеру A при заданных скорости потока, температуре и относительной влажности. Скорость потока газа - от 5 до 100 см3/мин.
9.9 Продолжают пропускать газ для испытания до получения постоянного сигнала датчика. Регистрируют полученный сигнал.
9.10 Повторяют предыдущие операции (9.1 - 9.9) для остальных образцов.
10 Обработка результатов
В зависимости от используемого метода обработку результатов проводят по A.6 или Б.7.
11 Прецизионность
Прецизионность данных методов неизвестна, так как результаты межлабораторных испытаний не получены. После получения результатов межлабораторных испытаний данные о прецизионности будут внесены в стандарт при его переиздании.
12 Протокол испытаний
Протокол испытаний оформляют в зависимости от используемого метода по A.7 или Б.8.
Приложение A
(обязательное)
Метод определения скорости проникновения кислорода
с использованием кулонометрического датчика
с использованием кулонометрического датчика
A.1 Общие сведения
Настоящий метод применяют для определения количества проникающего через испытуемый материал кислорода. Кулонометрическим датчиком измеряют количество кислорода, проникшего через испытуемый материал и перенесенного газом-носителем из диффузионной ячейки к датчику.
Датчик генерирует электрический ток,пропорциональный количеству кислорода, протекающего через датчик в единицу времени.
A.2 Аппаратура
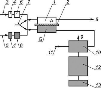
На рисунке А.1 приведена рекомендуемая схема установки.

1 - диффузионная ячейка с камерами A и Б; 2 - образец; 3 - вход кислорода; 4 - устройство для кондиционирования газов; 5 - вход газа-носителя; 6 - расходомер; 7 - трехходовой кран; 8 - выход кислорода (или газа-носителя при продувке); 9 - кулонометрический датчик для измерения концентрации кислорода в газе-носителе; 10 - выход газа-носителя; 11 - слой катализатора для удаления следов кислорода из газа-носителя; 12 - трехходовой кран; 13 - выход газа-носителя при продувке камеры
Рисунок А.1 - Рекомендуемая схема установки для определения скорости проникновения кислорода с использованием кулонометрического датчика
При установке образца для испытания 2 в диффузионную ячейку 1 переключением крана 7 на обводную линию отключают кулонометрический датчик 9, исключая таким образом попадание в датчик воздуха. Используя кран 7, расположенный до диффузионной ячейки, через камеру А пропускают газ-носитель или газ для испытания. Следы кислорода, которые могут присутствовать в газе-носителе, удаляют, используя слой катализатора 11.
Примечание - Допускается применение другого способа очистки газа-носителя от кислорода.
A.3 Газ-носитель и газ для испытания
A.3.1 В качестве газа-носителя используют смесь осушенного азота и водорода, объемная доля которого 0,5 % - 3,0 %. Концентрация кислорода в газе-носителе не должна превышать 100 мкл/л.
A.3.2 Газ для испытания - осушенный кислород с объемной долей кислорода не менее 99,5 %.
Примечание - Для материалов с высокой проницаемостью кислорода можно использовать смесь азота и кислорода, например воздух (объемная доля кислорода 21 %). Можно также уменьшить эффективную площадь проникновения образца, как описано в 7.3.5.
A.3.3 Устройства для кондиционирования газов 4 должны быть расположены до диффузионной ячейки, чтобы можно было реализовать какой-либо из вариантов условий, приведенных в таблице 1. Устройства для мониторинга влажности газов могут быть установлены в контуре газа-носителя и/или газа для испытания.
A.4 Градуировка
Рекомендуется периодически проводить проверку кулонометрического датчика, используя эталонные материалы.
Примечание - В настоящем методе используют прибор на основе кулонометрического датчика, который в соответствии с законом Фарадея обеспечивает линейную зависимость сигнала от концентрации кислорода. Датчик образует четыре электрона на каждую молекулу протекающего через него кислорода. Если принять, что эффективность датчика равна 95 % - 98 %, его можно рассматривать как внутренний стандарт, который не требует градуировки, и, таким образом, можно использовать этот метод в качестве эталонного. Однако датчик может быть поврежден или истощиться, что снизит его эффективность и уменьшит величину сигнала.
A.5 Проведение испытания
A.5.1 Образец для испытания после кондиционирования по разделу 6 помещают в диффузионную ячейку (см. раздел 9 настоящего стандарта) и устанавливают условия испытания в соответствии с нормативным или техническим документом на материал.
A.5.2 В течение 30 мин продувают обе камеры (A и Б) газом-носителем со скоростью потока 5-25 см3/мин.
Для материалов с очень низкой проницаемостью время продувки увеличивают: продувают в течение 3 - 4 мин при скорости потока газа-носителя 25 - 50 см3/мин, затем в течение 30 мин при скорости потока газа-носителя 5 - 25 см3/мин.
A.5.3 Проверяют герметичность установки.
A.5.4 Измеряют генерируемый датчиком электрический ток, пропуская его через шунт, установленный параллельно вольтметру. После стабилизации сигнала датчика регистрируют полученное значение сигнала как нулевое.
A.5.5 Переводят кран 7 в положение, обеспечивающее протекание кислорода через камеру A, и ожидают появления постоянного сигнала, который регистрируют.
Для некоторых тонких образцов с высокой проницаемостью равновесное состояние достигается через 30 - 60 мин, для образцов большей толщины или для образцов из многослойных материалов равновесное состояние достигается через несколько часов. Время, требуемое для достижения равновесия, указывают в протоколе испытания.
A.5.6 Повторяют испытание для оставшихся образцов.
A.6 Обработка результатов
A.6.1 Скорость проникновения кислорода
Скорость проникновения кислорода O2GTR, моль/(м2 с Па), вычисляют по формуле
(А.1)
где k - градуировочный коэффициент установки, моль/(с-Па В);
U - значение напряжения для образца, В;
U0 - нулевое значение напряжения, В;
А - эффективная площадь проникновения, м2;
a - атмосферное давление, Па;
0 - парциальное давление кислорода в газе для испытания, Па.
Примечание - На практике применяют значения напряжения U и U0 с учетом калибровочного коэффициента установки.
A.6.2 Проницаемость кислорода или коэффициент проницаемости кислорода
Газопроницаемость или коэффициент газопроницаемости Р - это физическая характеристика полимерного материала, зависящая только от газа для испытания и условий испытания.
Проницаемость кислорода или коэффициент проницаемости кислорода Р, (моль м)/(м2 с Пa), вычисляют по формуле
Р = О2GTR d, (А.2)
где O2GTR -скорость проникновения кислорода, моль/(м2 с Па) (объем газа приведен к стандартным условиям);
d - толщина образца, м.
Примечания
1 O2GTR обычно выражают в см3/(м2 сут), объем газа приведен к стандартным условиям.
2 Рчастовыражаютвсм3м м/(м2 сут атм).
3 d выражают в миллиметрах.
A.7 Протокол испытания
Протокол испытания должен содержать следующие данные:
а) ссылку на настоящий стандарт;
б) подробное описание использованной аппаратуры (марка, изготовитель и т.д.);
в) описание образцов для испытания, включающее:
1) описание материала, из которого изготовлены образцы (пленка, лист, ламинат, изделие, гранулы и т.д.);
2) способ изготовления материала: полив, раздув, ламинирование, литье под давлением, экструзия и т.д.;
3) описание обеих сторон образцов, если они отличаются, с указанием, какая сторона была обращена к кислороду;
г) число испытанных образцов;
д) среднюю, минимальную и максимальную толщину каждого образца;
е) условия кондиционирования образцов для испытания;
ж) эффективную площадь проникновения;
и) температуру образцов во время испытания;
к) атмосферное давление во время испытания;
л) парциальное давление кислорода в камере A и способ его измерения (по А.3.2);
м) скорость газа-носителя в процессе испытания;
п) время до получения стабильного сигнала после введения кислорода в камеру A диффузионной ячейки;
р) значение скорости проникновения кислорода (а также проницаемости кислорода P, при необходимости) для каждого испытанного образца;
с) дату испытания.
Приложение Б
(обязательное)
Определение методом газовой хроматографии
Б.1 Общие сведения
Настоящий метод применяют для определения скорости проникновения различных газов или смесей газов, используя газовый хроматограф с подходящими колонками.
Б.2 Сущность метода
Молекулы газа, проникающего через испытуемый образец, помещенный в диффузионную ячейку, переносятся газом-носителем в дозирующую петлю, содержимое которой периодически вводится в газовый хроматограф.
Пики на полученной хроматограмме сравнивают с градуировочным графиком, построенным по хроматограммам градуировочных образцов.
Примечание - Автоматические впускные краны могут вызвать повышение давления в диффузионной ячейке, которое следует компенсировать для предотвращения повреждения образца.
Рекомендуемая схема установки приведена на рисунке Б.1.
Б.3 Хроматограф
Б.3.1 Общие сведения
В зависимости от природы газа для испытания используют различные газохроматографические колонки и детекторы согласно приведенным ниже примерам. Для обеспечения требуемой чувствительности при анализе конкретных газов допускается применение других колонок и детекторов.
Б.3.2 Набивную колонку с детектором по теплопроводности (ТПД) можно применять для анализа:
- кислорода, углекислого газа и/или азота;
- смесей этих или других газов.
Примечание - Кондиционирование газов (см. таблицу1 настоящего стандарта) можно проводить, если устройство для кондиционирования газов расположено перед диффузионной ячейкой, однако при использовании детектора по теплопроводности кондиционирование газа-носителя не проводят.
Б.3.3 Набивную колонку с пламенно-ионизационным детектором (ПИД) можно применять для анализа:
- углекислого газа в случаях, когда требуется высокая чувствительность, при этом газовый хроматограф должен быть оснащен специальной печью для восстановления углекислого газа до метана;
- паров различных органических веществ.

1 - диффузионная ячейка с камерами A и Б; 2 - образец; 3 - вход газа для испытания; 4 - устройство для кондиционирования газа; 5 - вход газа-носителя; 6 - расходомер; 7 - трехходовой кран; 8 - выход газа для испытания (или газа-носителя при продувке); 9 - выход газа-носителя; 10 - дозирующая петля; 11 - вход газа-носителя для хроматографа; 12 - хроматографическая колонка; 13 - детектор по теплопроводности (ТПД) или пламенно-ионизационный детектор (ПИД)
Рисунок Б.1 - Рекомендуемая схема установки для определения скорости проникновения газов с использованием детектора хроматографа
Б.3.4 Капиллярную колонку с пламенно-ионизационным детектором (ПИД) можно применять для анализа паров органических веществ, в том числе обладающих запахом.
В таких случаях следует устранить конденсацию паров во время их прохождения через диффузионную ячейку, хроматографическую колонку и детектор.
Б.4 Газ-носитель и газ для испытания
Б.4.1 Газ-носитель должен быть совместим с выбранным детектором.
Б.4.2 Концентрация каждого газа в смеси газов для испытания и чистота индивидуального газа для испытания должны быть известны с точностью до ±1 %.
Б.4.3 Газы не должны содержать примесей, которые могут повлиять на точность измерения.
Б.5 Градуировочный график
Б.5.1 Общие положения
Градуировочный график для хроматографической колонки получают одним из следующих способов:
Б.5.2 Способ A
Б.5.2.1 У поставщиков, специализирующихся на поставках газа, приобретают несколько газовых баллонов, заполненных смесью газов с известными концентрациями требующегося газа для испытания, причем диапазон концентраций должен соответствовать ожидаемому при испытаниях.
Б.5.2.2 Подсоединяют по очереди эти газовые баллоны к дозирующей петле и записывают хроматограммы, проводя измерения в одинаковых условиях хроматографирования.
Б.5.3 Способ Б
Б.5.3.1 Настоящий метод применим также для газов, не являющихся компонентами воздуха.
Б.5.3.2 В снабженных мембраной стеклянных сосудах готовят образцы разбавленного газа различной концентрации; разбавление проводят, например, воздухом.
Б.5.3.3 Газовым шприцем вводят известный объем каждого образца разбавленного газа непосредственно в хроматографическую колонку при одинаковых условиях хроматографирования и получают соответствующие хроматограммы.
Б.5.4 Построение градуировочного графика
Хроматограммы, полученные любым из этих способов, можно использовать при построении градуировочного графика в координатах: сигнал детектора - объем газа для испытания в газе-носителе.
Б.6 Выполнение измерений
Б.6.1 В соответствии с разделом 9 отбирают проникший через образец газ для испытания в дозирующую петлю и переносят его из петли в газохроматографическую колонку в соответствии с инструкцией по эксплуатации газового хроматографа.
Следят за изменением величины сигнала детектора для газа для испытания до достижения постоянного значения сигнала. Записывают требующееся для этого время в протокол испытания.
Б.6.2 Определяют площадь пика газа для испытания, используя интегратор хроматографа.
Б.6.3 По градуировочному графику, построенному по Б.5,определяютобъемгазадля испытания в газе-носителе в кубических сантиметрах.
Б.6.4 Одновременно, используя калиброванный расходомер (например, пенный расходомер), определяют скорость газа-носителя в колонке. Это измерение проводят на выходе газа-носителя 9 после отключения дозирующей петли 10 (рисунок Б.1).
Б.7 Обработка результатов
Б.7.1 Скорость проникновения газа
Скорость проникновения газа GRT,моль/(м2 сут Па), вычисляют по формуле
(Б.1)
где D - скорость потока газа-носителя, см3/мин;
С - объем газа для испытания в газе-носителе, полученный с использованием хроматограммы, моль/(см3 Па), (объем газа для испытания приведен к стандартным условиям);
А - эффективная площадь проникновения образца, м2;
a - атмосферное давление, Па;
0- парциальное давление газа для испытания в смеси газов для испытания, Па.
Б.7.2 Газопроницаемость или коэффициент газопроницаемости
Газопроницаемость или коэффициент газопроницаемости Р,(моль м)/(м2 сут Пa), рассчитывают по формуле
Р = GTR d (Б.2)
где GTR -скорость проникновения газа, моль/(м2 сут Пa), (объем газа для испытания приведен к стандартным условиям);
d - средняя толщина образца, мм.
Примечания
1 GTR обычно выражают в см3/(м2 сут), объем газа для испытания приводят к стандартным условиям при давлении 1 атм.
2 Р часто выражают в (см3 мм)/(м2 сут атм).
3 d выражают в миллиметрах.
Б.8 Протокол испытания
Протокол испытания должен содержать следующие данные:
а) ссылку на настоящий стандарт;
б) подробное описание использованной аппаратуры (марка, изготовитель и т.д.);
в) описание образцов для испытания, включающее:
1) описание материала, из которого были изготовлены образцы (пленка, лист, ламинат, изделие, гранулы и т.д.);
2) способ изготовления материала - полив, раздув, ламинирование, литье под давлением, экструзия и т.д.
3) описание обеих сторон образцов, если они отличаются, с указанием, какая сторона была обращена к газу для испытания;
г) число испытанных образцов;
д) среднюю, минимальную и максимальную толщину каждого образца;
е) условия кондиционирования образцов для испытания;
ж) эффективную площадь проникновения;
и) температуру образцов во время испытания;
к) атмосферное давление во время испытания;
л) тип газа для испытания или состав смеси газов для испытания с указанием способа определения состава этой смеси;
м) скорость газа-носителя в процессе испытания;
н) время до достижения стабильного сигнала после введения газа для испытания в камеру A диффузионной ячейки;
п) значение скорости газопроницаемости (а также проницаемость Р, если требуется) для каждого испытанного образца;
р) дату испытания.
Ключевые слова: скорость проникновения газов, газопроницаемость, коэффициент газопроницаемости, пластмассы, образцы для испытаний, газ для испытания, смесь газов для испытания, диффузионная ячейка, кулонометрический датчик, газохроматографический детектор
СОДЕРЖАНИЕ
1 Область применения
2 Нормативные ссылки
3 Термины и определения
4 Сущность метода
5 Образцы для испытания
6 Кондиционирование и температура испытания
7 Аппаратура и материалы
8 Условия диффузии
9 Проведение испытания
10 Обработка результатов
11 Прецизионность
12 Протокол испытаний
Приложение A (обязательное) Метод определения скорости проникновения кислорода с использованием кулонометрического датчика
Приложение Б (обязательное) Определение методом газовой хроматографии
На сайте доступен для загрузки полный текст ГОСТ Р 53656.2-2009 со всеми таблицами и формулами в формате pdf.
Загрузить ГОСТ Р 53656.2-2009 (ИСО 15105-2-2002)
Вернуться к списку ГОСТов: 83.080 Пластмассы
Важно! Все документы ГОСТ представлены исключительно в ознакомительных целях. После ознакомления загруженные файлы необходимо удалить с носителя информации. Представленные на Plastinfo.ru документы не являются официальными и могут быть не актуальными на момент скачивания.
ОПРОС НА PLASTINFO.RU
© 2002—2026 Пластинфо.ру